Over 140000 revolutions per minute! New heights in unlocking high-speed hair dryer control scheme for ADP32F036
Against the backdrop of consumption upgrading, high-speed hair dryers have become a popular category in consumer electronics. High rotation speed, stable operation and low noise have become users’ core demands, which also makes the high-precision control of brushless permanent magnet synchronous motors the key to industrial R&D.
Faced with the market’s urgent demand for high-end control solutions, Silan-IC (Jinxin Electronics), which has long been engaged in the R&D of DSP chips, has launched a sensorless FOC control scheme for BLDC motors used in high-speed hair dryers based on its domestically leading digital signal processing technology and the ADP32F036 DSP chip.
This solution has broken through the rotation speed barrier, with a measured mechanical rotation speed of 141,000 rpm, providing a cost-effective and highly adaptable core solution for the upgrading of high-speed hair dryer products.

A Hardcore Solution Arrives, Setting a New Industry Speed Limit
As a leading domestic team specializing in DSP chip and application solution design, Jinxin Electronics has targeted the technical requirements of high-speed hair dryer applications. Centered on the high-performance 32-bit ADP32F036 DSP as the main control core, and integrated with sensorless field-oriented control technology, we have created a control solution that delivers both ultimate performance and practical value, perfectly matching the R&D and mass production needs of high-end hair dryers.

1. Ultra-high Speed Performance, Leading the Industry Standard
Based on the high-performance computing architecture of the ADP32F036, the solution efficiently executes sophisticated high-speed control algorithms, supporting an electrical frequency output of up to 2.35 kHz. It achieves a measured mechanical rotation speed of 141,000 rpm, representing a 7.5% improvement over mainstream high-end products currently available on the market. The powerful rotation speed generates stronger airflow for faster hair drying, enabling products to easily build a differentiated performance advantage in the market.

▲ ADP32F036 Complete Machine Test Waveform
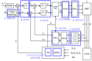
2. Sensorless Precise Speed Control, Upgrading User Experience
It adopts sensorless FOC (Field-Oriented Control) technology combined with SVPWM (Space Vector Pulse Width Modulation). Through precise current sampling and motor position estimation, it achieves smooth regulation of torque and speed. This not only eliminates the hardware cost and failure risk of Hall sensors, but also enables 0.5-second fast startup and 0.3-second ultra-fast shutdown. During operation, it features lower noise, more stable torque, and smooth, jitter-free startup even under heavy load, greatly enhancing the user experience.

▲ Basic Scheme for FOC Torque Control
3. Full-Dimensional Safety Protection for Stable Operation
The solution features a comprehensive fault protection system covering over 10 fault types, including overcurrent, overvoltage/undervoltage, motor stall, output phase loss, NTC temperature fault, and communication fault. With precise protection thresholds, it immediately blocks PWM output when a fault occurs, providing all-round protection for the motor and the entire device. It also includes a fault indicator light for easy maintenance and repair, reducing after-sales costs.
4. High-Integration Design for Cost Reduction and Efficiency Improvement
The main control chip ADP32F036 integrates abundant on-chip peripherals such as op-amps, PGAs, comparators, high-speed ADC, and HRPWM. All control functions including current sampling, temperature detection, and PWM driving can be realized without additional external chips, greatly simplifying the hardware circuit and reducing PCB area. Meanwhile, the discrete component design further lowers BOM cost, achieving both high performance and high cost-effectiveness.
5. Standardized Development System to Shorten Time-to-Market
The solution supports standardized motor parameter measurement and matching methods, enabling quick replacement and debugging of control boards and motors. Performance optimization can be completed with only simple parameter calibration and PI adjustment. Equipped with mature development tools, complete technical documentation, and full-process technical support, it requires no complex secondary development, significantly lowering the R&D threshold and effectively shortening the R&D, testing, and mass production cycle.
Main Control Chip ADP32F036: Built for High-End Control
The superior performance of this solution stems from the powerful configuration of the Jinxin ADP32F036, a high-performance 32-bit fixed-point DSP. This chip is perfectly suited to meet the high-frequency, high-precision speed control requirements of high-speed hair dryers.


Jinxin Electronics has long focused on the R&D of DSP/SoC chips and application solutions, with technological innovation at its core. We provide cost-effective and highly reliable chips and solutions for consumer electronics, industrial control, automotive electronics and other fields.

CN
EN

